- 產品介紹
-
招商電話029-33215251
029-33215252 -
郵箱:chaoyue@xy-cy.cn
總部地址:陜西省咸陽市秦都區高新區永昌路高新創業園內
- 咸陽超越離合器有限公司
-

公司總機
服務熱線:+86-029-33215251;029-33215252;029-33280111
公司傳真:+86-029-33160536;029-33228278
QQ:2312588098/1694054287
阿里旺旺:chaoyue8899
在線服務
電子郵箱:chaoyue@xy-cy.cn
公司主頁:www.xy-cy.cn
公司地址
郵政編碼:712000
通信地址:陜西省咸陽市秦都區高新區永昌路高新創業園內
乘車方式:市內乘20路、18路可直達
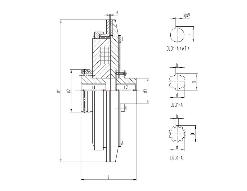
- 在線咨詢 DLD1大扭矩單片電磁離合器
| 用戶名: | |
| 聯系電話: | |
| 在線QQ: | |
| 電子郵箱: | |
| 內容: | |
| 驗證碼: |
|














